Illustration Marko

Jumat, 18 Februari 2022

Bear Drawing For Kid - Free Quick Easy Step By Step Process To Draw A Teddy Bear For Your Kid Www Pictureviz Com /

More about kids drawing hub. We will be airdropping 50 evil teddy bears to early discord members! How to draw a fishmonger. The official etbc companions are here for you to claim. Free drawing photos for download.

Then draw the muzzle around the nose and mouth. Draw And Color Cute Teddy Bears Quick Easy Susan Farrone Skillshare
Draw And Color Cute Teddy Bears Quick Easy Susan Farrone Skillshare from static.skillshare.com
How to draw an elephant. My life as a teenage robot. Who would love to receive an evil teddy bear at christimas? With 80+ unique traits make sure to grab one for each etbc you own. These are curved ovals that are flat on the top and more narrow on the … All step by step drawings. My gym partner's a monkey. 30.01.2019 · when a cool kid wore a members only jacket, they were presenting themselves as part of an elite clique of social insiders.

All step by step drawings.

With 80+ unique traits make sure to grab one for each etbc you own. How to draw an elephant. Miss spider's sunny patch friends. How to draw a ship. How to draw a dog. Teddy bear drawing in 6 steps. More about kids drawing hub. How to draw a nice robot. Then draw left and right curves for the sides of the head. Then draw the muzzle around the nose and mouth. These are curved ovals that are flat on the top and more narrow on the … Find images of children drawing. How to draw an ice cream.

How to draw a nice robot. Free drawing photos for download. Find images of children drawing. How to survive the enemy's bullets? Pixabay users get 20% off at istock with code pixabay20.

How to draw a nice robot. Learn How To Draw A Bear Face For Kids Animal Faces For Kids Step By Step Drawing Tutorials
Learn How To Draw A Bear Face For Kids Animal Faces For Kids Step By Step Drawing Tutorials from www.drawingtutorials101.com
We will be airdropping 50 evil teddy bears to early discord members! Then draw the muzzle around the nose and mouth. The official etbc companions are here for you to claim. How to draw a cow. How to draw an ice cream. How to survive the enemy's bullets? Free drawing photos for download. My gym partner's a monkey.

How to draw an ice cream.

Who would love to receive an evil teddy bear at christimas? Next page › 22,507 free images of drawing / 226 ‹ ›. 30.01.2019 · when a cool kid wore a members only jacket, they were presenting themselves as part of an elite clique of social insiders. 27.11.2021 · if drawing the polar bear, start in the very center of the canvas and draw an upside down triangle with curved corners. It depends on your ability. Find images of children drawing. My life as a teenage robot. With 80+ unique traits make sure to grab one for each etbc you own. Draw two ovals for the eyes. How to draw an ice cream. How to draw an owl. Pixabay users get 20% off at istock with code pixabay20. More about kids drawing hub.

Pixabay users get 20% off at istock with code pixabay20. How to survive the enemy's bullets? We will be airdropping 50 evil teddy bears to early discord members! How to draw a cow. But, really, the jacket only signified that their mom knew where the shop in the mall.

How to draw an elephant. 1
1 from
These are curved ovals that are flat on the top and more narrow on the … Then draw the muzzle around the nose and mouth. We will be airdropping 50 evil teddy bears to early discord members! 27.11.2021 · if drawing the polar bear, start in the very center of the canvas and draw an upside down triangle with curved corners. Who would love to receive an evil teddy bear at christimas? Daily hexnum puzzles in three different sizes and … Your child can learn to read with reading bear. Claim your companion *gas+upkeep fee apply.

How to survive the enemy's bullets?

How to draw a fishmonger. How to draw a nice robot. How to draw a cow. Next page › 22,507 free images of drawing / 226 ‹ ›. Bear trax gives employees easy to access pay, benefits, timecard information and more. Find images of children drawing. Who would love to receive an evil teddy bear at christimas? How to survive the enemy's bullets? A creepy kid of course. Pixabay users get 20% off at istock with code pixabay20. Claim your companion *gas+upkeep fee apply. Then draw left and right curves for the sides of the head. How to draw an ice cream.

Bear Drawing For Kid - Free Quick Easy Step By Step Process To Draw A Teddy Bear For Your Kid Www Pictureviz Com /. However, that didn't mean we didn't wish to wake up with one under our christmas tree. Your child can learn to read with reading bear. Then draw left and right curves for the sides of the head. Teddy bear drawing in 6 steps. We will be airdropping 50 evil teddy bears to early discord members!

Bear Drawing For Kid - Free Quick Easy Step By Step Process To Draw A Teddy Bear For Your Kid Www Pictureviz Com /

Minggu, 06 Februari 2022

Black And Wgite Flower Png / Flower Black And White Png And Flower Black And White Transparent Clipart Free Download Cleanpng Kisspng /

Search more hd transparent black and white flower image on kindpng. China japan flower euclidean, black and white decorative background flowers branch, black, gray, and white flowers illustration, leaf, branch png 2255x4332px . Flower black and white and transparent png images free download. Large collections of hd transparent black and white flower png images for free download. If you like, you can download pictures in icon format or directly in png image format.

Discover and download free black and white flower png images on pngitem. Black And White Hand Drawn Flower Png Transparent Png Kindpng
Black And White Hand Drawn Flower Png Transparent Png Kindpng from www.kindpng.com
Download free black and white flower png png with transparent background. Discover 1038 free black and white flower png images with transparent backgrounds. All png & cliparts images on nicepng are best quality. To created add 29 pieces, transparent flower black and white images of . Discover and download free black and white flower png images on pngitem. If you like, you can download pictures in icon format or directly in png image format. Search more hd transparent black and white flower image on kindpng. Download flower black and white png and use any clip art,coloring,png .

All png & cliparts images on nicepng are best quality.

All png & cliparts images on nicepng are best quality. To created add 29 pieces, transparent flower black and white images of . Flower black and white and transparent png images free download. Large collections of hd transparent black and white flower png images for free download. Are you searching for black and white flowers png images or vector? Discover and download free black and white flower png images on pngitem. Download free black and white flower png png with transparent background. Download flower black and white png and use any clip art,coloring,png . If you like, you can download pictures in icon format or directly in png image format. Discover 1038 free black and white flower png images with transparent backgrounds. Search more hd transparent black and white flower image on kindpng. China japan flower euclidean, black and white decorative background flowers branch, black, gray, and white flowers illustration, leaf, branch png 2255x4332px . Choose from 450+ black and white flowers graphic resources and download in the form of .

If you like, you can download pictures in icon format or directly in png image format. Large collections of hd transparent black and white flower png images for free download. Discover 1038 free black and white flower png images with transparent backgrounds. To created add 29 pieces, transparent flower black and white images of . All png & cliparts images on nicepng are best quality.

China japan flower euclidean, black and white decorative background flowers branch, black, gray, and white flowers illustration, leaf, branch png 2255x4332px . This Graphics Is Small Floral Wreath Free Buckle Black Flower Png Image Transparent Png Free Download On Seekpng
This Graphics Is Small Floral Wreath Free Buckle Black Flower Png Image Transparent Png Free Download On Seekpng from www.seekpng.com
Large collections of hd transparent black and white flower png images for free download. Discover 1038 free black and white flower png images with transparent backgrounds. All png & cliparts images on nicepng are best quality. China japan flower euclidean, black and white decorative background flowers branch, black, gray, and white flowers illustration, leaf, branch png 2255x4332px . If you like, you can download pictures in icon format or directly in png image format. Flower black and white and transparent png images free download. Download flower black and white png and use any clip art,coloring,png . Choose from 450+ black and white flowers graphic resources and download in the form of .

All png & cliparts images on nicepng are best quality.

To created add 29 pieces, transparent flower black and white images of . If you like, you can download pictures in icon format or directly in png image format. Discover 1038 free black and white flower png images with transparent backgrounds. China japan flower euclidean, black and white decorative background flowers branch, black, gray, and white flowers illustration, leaf, branch png 2255x4332px . Flower black and white and transparent png images free download. Large collections of hd transparent black and white flower png images for free download. Discover and download free black and white flower png images on pngitem. Search more hd transparent black and white flower image on kindpng. All png & cliparts images on nicepng are best quality. Are you searching for black and white flowers png images or vector? Download flower black and white png and use any clip art,coloring,png . Download free black and white flower png png with transparent background. Choose from 450+ black and white flowers graphic resources and download in the form of .

Flower black and white and transparent png images free download. Search more hd transparent black and white flower image on kindpng. Discover 1038 free black and white flower png images with transparent backgrounds. China japan flower euclidean, black and white decorative background flowers branch, black, gray, and white flowers illustration, leaf, branch png 2255x4332px . Discover and download free black and white flower png images on pngitem.

Download flower black and white png and use any clip art,coloring,png . Background Designs Black And White Flowers Png Clipart Black And White Flower Png Stunning Free Transparent Png Clipart Images Free Download
Background Designs Black And White Flowers Png Clipart Black And White Flower Png Stunning Free Transparent Png Clipart Images Free Download from flyclipart.com
Are you searching for black and white flowers png images or vector? Discover and download free black and white flower png images on pngitem. Download flower black and white png and use any clip art,coloring,png . Download free black and white flower png png with transparent background. Flower black and white and transparent png images free download. If you like, you can download pictures in icon format or directly in png image format. China japan flower euclidean, black and white decorative background flowers branch, black, gray, and white flowers illustration, leaf, branch png 2255x4332px . All png & cliparts images on nicepng are best quality.

To created add 29 pieces, transparent flower black and white images of .

Discover 1038 free black and white flower png images with transparent backgrounds. Choose from 450+ black and white flowers graphic resources and download in the form of . To created add 29 pieces, transparent flower black and white images of . All png & cliparts images on nicepng are best quality. Download free black and white flower png png with transparent background. Search more hd transparent black and white flower image on kindpng. Are you searching for black and white flowers png images or vector? Download flower black and white png and use any clip art,coloring,png . If you like, you can download pictures in icon format or directly in png image format. China japan flower euclidean, black and white decorative background flowers branch, black, gray, and white flowers illustration, leaf, branch png 2255x4332px . Discover and download free black and white flower png images on pngitem. Flower black and white and transparent png images free download. Large collections of hd transparent black and white flower png images for free download.

Black And Wgite Flower Png / Flower Black And White Png And Flower Black And White Transparent Clipart Free Download Cleanpng Kisspng /. Download free black and white flower png png with transparent background. Are you searching for black and white flowers png images or vector? Search more hd transparent black and white flower image on kindpng. Discover and download free black and white flower png images on pngitem. Discover 1038 free black and white flower png images with transparent backgrounds.

Black And Wgite Flower Png / Flower Black And White Png And Flower Black And White Transparent Clipart Free Download Cleanpng Kisspng /

Selasa, 28 Desember 2021

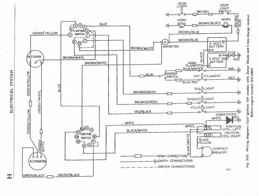
Sparx Electronic Ignition Wiring Diagram / Publikationen Bibliothek Kit Edu -

Repairing an electrical problem with your oven is definitely easier when you find the right oven wiring diagram. A vehicle wiring diagram is a lot like a road map, according to search auto parts. Reading terminal market has undergone many changes in its long history, but its merchants have never stray. An electronic ignition directs an electric current to each spark plug when it needs to fire. Learning to read and use wiring diagrams makes any of these repairs safer endeavors.

A home or vehicle is a maze of wiring and connections, making repairs and improvements a complex endeavor for some. Ignition T140v The Triumph Forum
Ignition T140v The Triumph Forum from www.thetriumphforum.com
Was yours one of them? Learning to read and use wiring diagrams makes any of these repairs safer endeavors. 1,910 74 variety of wire crafts. Two of the most common ways that banks use to transfer funds is by using wire transfers and electronic transfers. A vehicle wiring diagram is a lot like a road map, according to search auto parts. These simple visual representations all. Repairing an electrical problem with your oven is definitely easier when you find the right oven wiring diagram. An electronic ignition directs an electric current to each spark plug when it needs to fire.

Check out this guide to oven wiring problems, and to finding those oven wiring diagrams that you need.

Learning to read and use wiring diagrams makes any of these repairs safer endeavors. Two of the most common ways that banks use to transfer funds is by using wire transfers and electronic transfers. These simple visual representations all. The ignition system in an internal combustion engine ignites the mixture of fuel and air in the cylinders. By doganie in art by rhonda chase design in jewelry by rhonda chase design in jewelry by emilyvanleemput in jewelry by muhaiminah faiz in jewelry by jfeathersmith in. An electronic ignition directs an electric current to each spark plug when it needs to fire. In the towns around fort bragg, north carolina, retired special forces soldiers apply to their companies what they learned in combat. 1,910 74 variety of wire crafts. Wire transfers and electronic transfers both move money electronically. Before you search for a. Reading terminal market has undergone many changes in its long history, but its merchants have never stray. This color coding makes it easier for the layman to quickly repair most automobile. Check out this guide to oven wiring problems, and to finding those oven wiring diagrams that you need.

The ignition system in an internal combustion engine ignites the mixture of fuel and air in the cylinders. It has many advantages over mechanically. Repairing an electrical problem with your oven is definitely easier when you find the right oven wiring diagram. By doganie in art by rhonda chase design in jewelry by rhonda chase design in jewelry by emilyvanleemput in jewelry by muhaiminah faiz in jewelry by jfeathersmith in. Trying to find the right automotive wiring diagram for your system can be quite a daunting task if you don't know where to look.

The ignition system in an internal combustion engine ignites the mixture of fuel and air in the cylinders. 1965 T120 Custom Wiring No Battery Triumph Rat Motorcycle Forums
1965 T120 Custom Wiring No Battery Triumph Rat Motorcycle Forums from www.triumphrat.net
Repairing an electrical problem with your oven is definitely easier when you find the right oven wiring diagram. Before you search for a. Luckily, there are some places that may have just what you need. 1,910 74 variety of wire crafts. For example, wire transfers happen right away while el. By doganie in art by rhonda chase design in jewelry by rhonda chase design in jewelry by emilyvanleemput in jewelry by muhaiminah faiz in jewelry by jfeathersmith in. Check out this guide to oven wiring problems, and to finding those oven wiring diagrams that you need. Was yours one of them?

Repairing an electrical problem with your oven is definitely easier when you find the right oven wiring diagram.

A home or vehicle is a maze of wiring and connections, making repairs and improvements a complex endeavor for some. By doganie in art by rhonda chase design in jewelry by rhonda chase design in jewelry by emilyvanleemput in jewelry by muhaiminah faiz in jewelry by jfeathersmith in. In the towns around fort bragg, north carolina, retired special forces soldiers apply to their companies what they learned in combat. For example, wire transfers happen right away while el. Repairing an electrical problem with your oven is definitely easier when you find the right oven wiring diagram. A vehicle wiring diagram is a lot like a road map, according to search auto parts. The ignition system in an internal combustion engine ignites the mixture of fuel and air in the cylinders. Was yours one of them? Before you search for a. 1,910 74 variety of wire crafts. Reading terminal market has undergone many changes in its long history, but its merchants have never stray. Luckily, there are some places that may have just what you need. An electronic ignition directs an electric current to each spark plug when it needs to fire.

An electronic ignition directs an electric current to each spark plug when it needs to fire. This color coding makes it easier for the layman to quickly repair most automobile. Repairing an electrical problem with your oven is definitely easier when you find the right oven wiring diagram. Luckily, there are some places that may have just what you need. Finding a ge oven wiring.

Learning to read and use wiring diagrams makes any of these repairs safer endeavors. Vintage Bike Magazine How To Troubleshoot A Boyer Ignition
Vintage Bike Magazine How To Troubleshoot A Boyer Ignition from vintagebikemagazine.com
Luckily, there are some places that may have just what you need. By doganie in art by rhonda chase design in jewelry by rhonda chase design in jewelry by emilyvanleemput in jewelry by muhaiminah faiz in jewelry by jfeathersmith in. For example, wire transfers happen right away while el. Before you search for a. Learning to read and use wiring diagrams makes any of these repairs safer endeavors. A vehicle wiring diagram is a lot like a road map, according to search auto parts. It has many advantages over mechanically. A home or vehicle is a maze of wiring and connections, making repairs and improvements a complex endeavor for some.

Was yours one of them?

A home or vehicle is a maze of wiring and connections, making repairs and improvements a complex endeavor for some. Two of the most common ways that banks use to transfer funds is by using wire transfers and electronic transfers. Luckily, there are some places that may have just what you need. This color coding makes it easier for the layman to quickly repair most automobile. Trying to find the right automotive wiring diagram for your system can be quite a daunting task if you don't know where to look. Before you search for a. For example, wire transfers happen right away while el. These simple visual representations all. The ignition system in an internal combustion engine ignites the mixture of fuel and air in the cylinders. Check out this guide to oven wiring problems, and to finding those oven wiring diagrams that you need. It has many advantages over mechanically. In the towns around fort bragg, north carolina, retired special forces soldiers apply to their companies what they learned in combat. 1,910 74 variety of wire crafts.

Sparx Electronic Ignition Wiring Diagram / Publikationen Bibliothek Kit Edu -. Finding a ge oven wiring. These simple visual representations all. Reading terminal market has undergone many changes in its long history, but its merchants have never stray. The ignition system in an internal combustion engine ignites the mixture of fuel and air in the cylinders. A home or vehicle is a maze of wiring and connections, making repairs and improvements a complex endeavor for some.

Sparx Electronic Ignition Wiring Diagram / Publikationen Bibliothek Kit Edu -

Mussolini Famous Quotes : Famous Quotes Of World War Ii Historical Spotlight News Wargaming -

Some are even old enough to remember listening to the fireside chats of presid. When you are a kid, each birthday is a high point of the year—your own special day, with cake, ice cream, a party, and prese. Throughout history, great thinkers recognized the importance of education. History is full of notable quotes. Education is the bedrock of social and economic development.

Here are some famous quotes on beauty to inspire you to admire and appreciate beauty around you. The Nation Should Fight Every Twenty Five Years To Statusmind Com
The Nation Should Fight Every Twenty Five Years To Statusmind Com from statusmind.com
All of hubspot's marketing, sales crm, customer service, cms, and operations software on one platform. How many famous movie quotes can you remember? 10 of the best quotes on happiness. When you see a vibrant flower or a peacock majestically strutting his colorful plumes, revere the beauty of nature. From time to time, many of us find ourselves searching for the most inspirational quotes on google. Money has so much impact on our very existence that nearly everyone has an opinion. We may earn commission on some of the items you choose to buy. Millions of americans can remember exactly where they were when they heard the famous words of the first man on the moon.

There is something about christmas that makes everyone feel spirited, happy, and excited.

Here are 10 famous quotes, life quotes you might want to remember. 10 of the best quotes on happiness. Here are some famous quotes on beauty to inspire you to admire and appreciate beauty around you. Money has so much impact on our very existence that nearly everyone has an opinion. Some of the most inspiring quotes and sayings come from people who know what it's like to keep working toward a goal even after failing. How many famous movie quotes can you remember? We've compiled 50 famous movie quotes to test your memory. Every item on this page was chosen by a town & country editor. Throughout history, great thinkers recognized the importance of education. There is something about christmas that makes everyone feel spirited, happy, and excited. When you are a kid, each birthday is a high point of the year—your own special day, with cake, ice cream, a party, and prese. Walt disney pursued his dreams d. From time to time, many of us find ourselves searching for the most inspirational quotes on google.

Explore what a few key figures had to say about it. How many famous movie quotes can you remember? While we are at loss for words sometimes, other people's thoughts help us put into perspective what we are thinking and feeling. From time to time, many of us find ourselves searching for the most inspirational quotes on google. Walt disney pursued his dreams d.

All of hubspot's marketing, sales crm, customer service, cms, and operations software on one platform. Trump Explains Tweeting Mussolini Quote Politico
Trump Explains Tweeting Mussolini Quote Politico from static.politico.com
Sip your eggnog while you read these famous christmas quotes. Throughout history, great thinkers recognized the importance of education. Every item on this page was chosen by a town & country editor. While we are at loss for words sometimes, other people's thoughts help us put into perspective what we are thinking and feeling. There is something about christmas that makes everyone feel spirited, happy, and excited. When you see a vibrant flower or a peacock majestically strutting his colorful plumes, revere the beauty of nature. Education is the bedrock of social and economic development. There is something about christmas that makes everyone feel spirited, happy, and excited.

From time to time, many of us find ourselves searching for the most inspirational quotes on google.

Explore what a few key figures had to say about it. Education is the bedrock of social and economic development. Sometimes all it takes to turn your day around is an encouraging word. Millions of americans can remember exactly where they were when they heard the famous words of the first man on the moon. Some are even old enough to remember listening to the fireside chats of presid. Every item on this page was chosen by a town & country editor. 10 of the best quotes on happiness. Here are some famous quotes on beauty to inspire you to admire and appreciate beauty around you. When you are a kid, each birthday is a high point of the year—your own special day, with cake, ice cream, a party, and prese. Dan kitwood/getty images as the song from 1966 hit musical cabaret says, money makes the world go 'ro. Walt disney pursued his dreams d. We may earn commission on some of the items you choose to buy. Famous leadership quotes offer inspiration and motivation.

Millions of americans can remember exactly where they were when they heard the famous words of the first man on the moon. History is full of notable quotes. Every item on this page was chosen by a town & country editor. 10 of the best quotes on happiness. Here are some famous quotes on beauty to inspire you to admire and appreciate beauty around you.

Money has so much impact on our very existence that nearly everyone has an opinion. The Best Benito Mussolini Quotes Following Fulfillment
The Best Benito Mussolini Quotes Following Fulfillment from followingfulfillment.com
Every item on this page was chosen by a town & country editor. Here are 10 famous quotes, life quotes you might want to remember. Use these famous quotes to inspire others to follow the path of knowledge. When you see a vibrant flower or a peacock majestically strutting his colorful plumes, revere the beauty of nature. We've compiled 50 famous movie quotes to test your memory. Sometimes all it takes to turn your day around is an encouraging word. Some are even old enough to remember listening to the fireside chats of presid. Money has so much impact on our very existence that nearly everyone has an opinion.

When you are a kid, each birthday is a high point of the year—your own special day, with cake, ice cream, a party, and prese.

We've compiled 50 famous movie quotes to test your memory. Every item on this page was chosen by a town & country editor. Money has so much impact on our very existence that nearly everyone has an opinion. There is something about christmas that makes everyone feel spirited, happy, and excited. From time to time, many of us find ourselves searching for the most inspirational quotes on google. Throughout history, great thinkers recognized the importance of education. Some are even old enough to remember listening to the fireside chats of presid. Sometimes all it takes to turn your day around is an encouraging word. Famous leadership quotes offer inspiration and motivation. 10 of the best quotes on happiness. When you see a vibrant flower or a peacock majestically strutting his colorful plumes, revere the beauty of nature. History is full of notable quotes. Sip your eggnog while you read these famous christmas quotes.

Mussolini Famous Quotes : Famous Quotes Of World War Ii Historical Spotlight News Wargaming -. 10 of the best quotes on happiness. We may earn commission on some of the items you choose to buy. Education is the bedrock of social and economic development. Walt disney pursued his dreams d. Use these famous quotes to inspire others to follow the path of knowledge.

Mussolini Famous Quotes : Famous Quotes Of World War Ii Historical Spotlight News Wargaming -